Ahnenforschung: QUAD-ratur des Klangs

Aktualisiert am: 21. Nov. 2016

Wer mit Röhren hört, kennt die Verstärker von QUAD Electroacoustics. Besonders natürlich den legendären QUAD II. Eine Röhren-Endstufe (!), die oft kopiert wird und wurde. Wer oder was QUAD war, kann man kurz und bündig auf Wikipedia nachlesen. Hier interessiert uns nur der, zur „Legende“ gewordene, Verstärker QUAD II.

Die Ausgangsleistung liest sich heute eher bescheiden: 15 Watt (20W RMS) pro Monoblock. Mit KT66. Mit diesen Röhren wäre – in dieser Schaltung – mindestens das Doppelte drin. Frequenzgang (bzw. Bandbreite): 20Hz bis 20KHz mit (Achtung!) lediglich 0,2dB Abweichung. Das war (ist) schon für damalige Verhältnisse beachtlich. Leistungsaufnahme (ohne „alles“ und pro Monoblock): 90 Watt (Stereo also 180 Watt). Allerdings: Diese Verstärker waren nicht für „normale“ Lautsprecher gedacht, sondern für sehr „wirksame“ elektrostatische Lautsprecher mit über 90dB Wirkungsgrad (1W/m). Der QUAD II stammte übrigens aus den (späten) 1950’er Jahren und war „nur“ ein Bestandteil einer kompletten HiFi-/Audio-Kette.

Auch wenn ich mich hier bemüht habe, nicht allzu technisch zu werden, ist ein gewisses röhrentechnisches Verständnis unabdingbar. Es ist aber fast unmöglich, gerade diesen Verstärker gleichermaßen zufriedenstellend für Laien und technisch Versierte zu erklären. Ich habe mich entschieden, es einfach zu halten und hoffe, dass der Balanceakt einigermaßen gelungen ist. Und – man möge es mir verzeihen – wenn ich heute dem QUAD-Konzept etwas skeptisch gegenüberstehe.

quad-2

Der Schaltplan zeigt zunächst nichts besonderes. „Vorne“ EF86-Pentoden, „hinten“ „knicklose“ Beam Power Tetroden (KT66). Erst auf den zweiten, dritten und vierten Blick zeigen sich die Besonderheiten des QUAD II. Fangen wir einfach mal von vorne an. Und mit „vorne“ meine ich den Verstärkereingang. Dieser wird durch eine Phasenumkehrstufe gebildet. Das allein zeigt, dass zu diesem Verstärker eigentlich noch eine Vorstufe gehört. Die „passende“ Röhrenvorstufe ist heute weitgehenst in Vergessenheit geraten. Es existieren jedoch mehrere Berichte, die von Problemen (bei der Endstufe) berichten, wenn die Vorstufe (QUAD 22) angeschlossen wurde. Das soll hier aber nicht interessieren.

Hinweis: Der QUAD I ist „vorne“ mit EF36-Pentoden bestückt gewesen. Die EF36 ist hierbei lediglich ein Vorgänger der EF86.

Für eine möglichst hohe Verstärkung ist die Phasenumkehr aber nicht mit Trioden, sondern mit Pentoden ausgeführt (knallharte betriebswirtschaftliche Interessen). Gemeinerweise auch noch als Paraphase. Und das auch noch sehr hochohmig (was an sich schon problematisch ist). Das Signal wird in die obere EF86 eingespeist. Über einen „Spannungsteiler“ gelangt das phasengedrehte (invertierte) Signal einerseits zur (oberen) Endröhre, andererseits wird das Signal in die „untere“ EF86 eingespeist die das Signal wiederum „dreht“ und damit die gleiche Phasenlage (Nicht-invertierend) wie das Eingangssignal bekommt. Dann sind wir schon bei den Endröhren KT66, die in Gegentakt-Class A, über einen gemeinsamen Kathodenwiderstand (= sich selbst symmetrierend = Röhrentoleranzen gleichen sich aus) arbeiten. Bis hierhin eigentlich nichts ungewöhnliches.

Auf den zweiten Blick erkennt man die „ungewöhnliche“ Beschaltung der Endröhren und des Ausgangsübertragers. Und genau da liegt das, was diesen QUAD-Verstärker (u.a.) ausmacht. Doch zunächst zu den KT66. Diese „schuften“ hier mit 65 Milliampere Ruhestrom. Das bringt zwar Leistung, aber auch einen recht hohen Klirrfaktor. Mit diesem Ruhestrom befindet man sich zudem auch am Rande dessen, was der KT66 noch gut tut. Nicht nur das… Die 680kΩ-Gitterableitwiderstände (gleichzeitig „Spannungsteiler“ für die Paraphase) sind ebenfalls „knapp am Ziel vorbei“ (genau die gleiche Geschichte wie bei der 300B) – heisst: Der Widerstandswert ist eigentlich zu hoch.

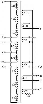
wicklungsschema

Der Übertrager für „geteilte Lasten“

Der Ausgangsübertrager muss es nun „herausreissen“ und genau das macht er auch. Neben der üblichen Anodenwicklung besitzt dieser Übertrager zusätzliche Kathodenwicklungen. Diese wirken hier als induktive (bzw. kapazitive) Gegenkopplung. Derartige Übertrager sind recht komplexe (sehr untertrieben) Wickelpakete. Und das, was im Schaltplan so simpel aussieht, ist in Wirklichkeit eine ganz schöne trickreiche (aber wirksame) Geschichte.

Während man heute bei der Gegentakt-Übertragertechnik darauf achtet, die Anodenwicklung in jeder Hinsicht symmetrisch (Widerstand bzw. Impedanz, Induktivität) zu gestalten, arbeitete man bei diesem Verstärker mit einer gewissen Unsymmetrie – und zwar bei der „unteren“ Röhre (zuständig für das Nicht-invertierende Signal). Während die „üblichen“ Eigenschaften wie zB. magnetische Flussdichten, Induktivität oder Kabelwiderstand (Gleichstromwiderstand), exakt gleich bleiben, gibt es einen „klitzekleinen“ Unterschied bei der Impedanz (Wechselstromwiderstand). Die obere Impedanz der Anodenwicklung (zuständig für das invertierende Signal) ist um den Faktor 1,5 höher, als die Impedanz der korrespondierenden, unteren, Anodenwicklung (die unterschiedlich hohe Impedanz kann man nur mit einer etwas anderen Wicklungsanordnung erreichen!). Eins-Komma-Fünf.

Die Kathodenwicklungen tragen zur „Leistungserzeugung“ wenig bei. Ihre Aufgabe ist es, den erhöhten Klirr, den die Röhren erzeugen, zu unterdrücken bzw. dem entgegen zu wirken. Dementsprechend „dünn“ fällt dieses Wicklung aus und entspricht eine (Achtung!) um 1,5 verringerte magnetische Flussdichte (mit sehr niedriger Impedanz) als die beiden Anodenwicklungen zusammen. Eine noch einfachere Erklärung geht nicht.

Der gesamte wirksame Wicklungswiderstand (also Anoden- und Kathodenseitig) liegt deutlich unter 400 Ohm! Die heute üblichen Übertrager arbeiten mit wesentlich höheren Widerständen (bzw. Impedanzen) in der Anodenwicklung (Ra/a). Das bedeutet schlussendlich auch, dass ziemlich viel Leistung im QUAD – sprichwörtlich – verheizt wird. Damals gab es ja auch keine Öko-Stromumlage – Strom war billig.

Das die Anodenwicklungen zu je 3 (drei) einzelnen Wicklungen seriell zusammen geschaltet wurden, ist ebenfalls ein interessantes Detail. Alle Wicklungen werden dann noch „kunstvoll“ geschichtet (Verschachtelungen der unterschiedlichen Wicklungen).

Auf der „anderen Seite“, also da, wo die Lautsprecher angeschlossen werden, existiert neben der „Lautsprecherwicklung“ noch eine Wicklung, aus der das Gegenkopplungssignal gewonnen wird. Über R11 (lediglich 470 Ohm) und R4 (680 Ohm) wird das Signal an die Kathoden (und die Bremsgitter) der Phasenumkehrstufe angekoppelt. Hier verändert es die „Arbeitsweise“ der Röhren, nicht das Eingangssignal direkt. Und jetzt wird es etwas vertrackt:

Was war zuerst da? Die Henne oder das Ei?

frihu

…hört gerne Musik. Über Röhrenverstärker. Musikrichtung egal. Ausser Jazz, Hip-Hop, House, Metal, Trash, Schlager, Volksmusik, Gangsta-Rap (noch schlimmer, wenn in Deutsch gebrüllt). Da krieg' ich ein Hörnchen. Autor der Bücher: Hören mit Röhren, Röhrenschaltungen und High-End Röhrenschaltungen. Artikel in hifi-tunes (Röhrenbuch 2): Bauteileauswahl für Röhrenverstärker und EL509 Single-Ended Röhrenverstärker im Selbstbau

Kommentare sind geschlossen.