Pimp the Tower

Aktualisiert am: 28. Mai 2021

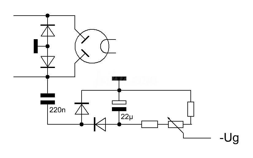
Versorgungsspannung

Auch wenn mit dem Röhrengleichrichter eine Graetzbrücke realisiert wurde, so gilt das Gesetz der Datenblätter. Das Erste, was die Röhre hier also sieht, ist ein 20µF MKP-Kondensator. Wenn es Sie nach einer 274 gelüstet (warum weiss ich nicht), dann ist das Ihr Problem. Die gehört hier wegen dem Ladekondensator nicht hinein. Auch keine 5U4G, die sich die Heizspannung ja mit 3A ’reinzieht.

Der klitzekleine Haken

Wie eine Ladungspumpe für die BIAS-Spannung funktioniert, ist hier sehr anschaulich beschrieben (Abschnitt „Capacitor Cupled Bias Supply“).

So wie im Link beschrieben ist mit einem Halbleiter-Gleichrichter diese negative Vorspannung quasi sofort „da“. Bei der hier verwendeten Fifty-Fifty Gleichrichterbrücke baut sich die Versorgungsspannung und damit die BIAS-Spannung aber in dem Maße auf, wie die Gleichrichterröhre aufgeheizt wird. Und das ist der kritisch Punkt: Die Aufheizphase muss kürzer sein, als die Aufheizphase der 300B.

Das 5U4G-B Derivat 5T4 ist so eine fixe Gleichrichterröhre und gewährleistet eine bereits anliegende negative Vorspannung, bevor die 300B startklar ist. Weil zu langsam, scheiden die üblichen Verdächtigen (GZ34, 274, 5U4G-B etc) also aus. Es sei denn, man will die 300B mit einem kurzfristig unzulässig hohen Ruhestrom quälen.

ladungspumpe

Wenn man bei Class-A bleibt, dann hat man bei der Gleichrichterröhre natürlich fast freie Wahl. In diesem Fall aber nicht.

Moderne Zeiten

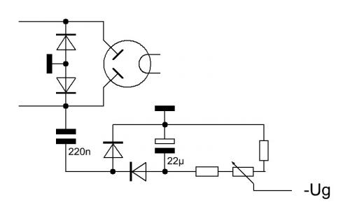
Es folgt die Drossel und diesmal eine etwas „dickere“ Siebkapazität. Über einen Siebwiderstand mit nachfolgender Siebung und (Achtung!) Zenderdioden geht’s weiter zur 6C6. Zenerdioden? Ja, Zenerdioden.

Auch wenn in den 6C6-Datenblättern nichts von Kaltspannung steht, heisst das nicht, dass es so etwas nicht gibt. Die Kaltspannung wird deshalb „einfach“ mit der absolut maximalen Anodenspannung gleichgesetzt. Nach dem Einschalten dauert es nämlich etwas, bis die Röhren eine Last bilden und die Spannung dadurch absackt.

Das gilt besonders für das Schirmgitter. Hier wird die Spannung ebenfalls mit einer Zenerdiode festgenagelt.

Natürlich geht’s – wie Anno dunnemals – auch ohne Zener-Gedöns. Trotzdem – ein bisschen darf man solche alten Röhren schon „betüddeln“. Ist mit Sicherheit nicht falsch.

Brumm und andere Probleme

Gerade bei Monoblöcken (wie diese Tower) ist die Gefahr, sich in eine Brummschleife (Schaltungsmasse – Schutzleiter) zu verheddern, hoch. Die Idee, den Schutzleiter nicht an die Schaltungsmasse anzuschliessen (wie in den Original Towern) ist eine ganz schlechte Idee.

Zu 95% ist’s eine „lässige“ Verkabelung. Alle Komponenten eines HiFi-Setups gehören in der richtigen Reihenfolge an eine (!) gute (!) Steckdosenleiste.

Problematisch sind mehrere hintereinander verstöpselte Netzleisten zu sechsfuffzich, weil für das HiFi-Geraffel eine Zehner-Leiste nicht reicht. Phono und Aktiv-Lautsprecher machen das Chaos dann so richtig perfekt.

Wenn es trotz „richtiger Verkabelung“ immer noch brummt, dann erst ist der „Anti-Schleifentrick“ als letztes Mittel in Betracht zu ziehen. Nicht prophylaktisch, sondern wirklich erst dann, wenn’s nötig ist.

Abspann

Der Ruhestrom wird auf etwa 70mA eingestellt. Möglich sind dann maximal 7W Tower-Power. Das Ganze funktionierte ohne Gegenkopplung schon ganz gut. So ganz ohne eine sanft eingreifende Gegenkopplung geht’s dann aber doch nicht.

300bt-04d

Derart umgebaut sind die Tower praktisch ohne Brumm und Tadel. Zumindest an meine 93dB-Fostexe. Lediglich ein Hauch von Rausch. Um das zu hören, muss man in die Lautsprecher hineinkriechen.

Das Klangbild darf man ruhig als „voll“ bezeichnen. Ganz ohne die manchmal anzutreffenden Nadelstiche im Hochtonbereich, die man mit Kapazitäten in der Gegenkopplung bekämpfen müsste. Der berüchtigte „Hamilton’sche Weichzeichner“ fehlt hingegen völlig.

So muss das.


Update 11.04.2021
Ich muss zugeben, dass ich verhalten optimistisch war, ob die Tower es wirklich „bringen“. Einerseits sollte es „schöngeistig“ sein, andererseits soll das „Ding“ doch schon „Pfeffer“ (Dynamik) haben.

Nein, alles in allerbester Ordnung. Sie machen genau das, was erwartet wurde. Teilweise wird das unerwartet übertroffen, was besonders „Auflösung“ betrifft. Trotzdem – oder vielleicht gerade deswegen – die Schaltung nicht ganz so „klassisch“ geworden ist.

Brumm oder Rauschen ist auch bei den über 100dB-Schallwandlern kein Thema, was auf einen hohen Signal-Rauschabstand hindeutet. Das hingegen hat zum grossen Teil der durchdachte Aufbau und die Masseführung zu verantworten.

Wer den Krug (also das Schälen) an sich vorbeiziehen lassen will, der sollte „vorne“ entweder 6J7 (andere 6C6-Version) oder die 6SJ7 bzw. 6AC7 einsetzen.

frihu

…hört gerne Musik. Über Röhrenverstärker. Musikrichtung egal. Ausser Jazz, Hip-Hop, House, Metal, Trash, Schlager, Volksmusik, Gangsta-Rap (noch schlimmer, wenn in Deutsch gebrüllt). Da krieg' ich ein Hörnchen. Autor der Bücher: Hören mit Röhren, Röhrenschaltungen und High-End Röhrenschaltungen. Artikel in hifi-tunes (Röhrenbuch 2): Bauteileauswahl für Röhrenverstärker und EL509 Single-Ended Röhrenverstärker im Selbstbau

Kommentare sind geschlossen.