Röhrenverstärker von Decca

Aktualisiert am: 27. Okt. 2025

Mit dem Namen Decca verbindet man heute eher hochwertige Tonaufnahmen, die ebenso hochwertig auf Schallplatte oder CD verewigt werden. Ganz früher gab’s von Decca auch noch die entsprechende „Hardware“. Also „Musikmöbel“, Lautsprecher, Verstärker, Radio, Plattenspieler. Das übliche Geraffel halt.

Zumindest im Decca-Mutterland, England, sollen die Verstärker auch bekannt für ihren eigenen „Decca-Sound“ bekannt gewesen sein. „Ganz früher“ heisst: 1950’er- bis vielleicht Anfang der 1970’er-Jahre. Hier geht’s nun um diesen Stereo-Verstärker von Decca.

decca-01

So vom Äusseren her wahrlich nicht etwas, was sich die meisten HiFi-Liebhaber in’s Wohnzimmer stellen würden. Zum Anschauen war dieser Decca-Verstärker aber eigentlich auch gar nicht gedacht…

Bevor’s losgeht ein Hinweis: Normalerweise beschäftige ich mich nicht mit Oldtimern. Für diesen Verstärker habe ich eine Ausnahme gemacht. Und es zeigt auch, wie’s so gehen kann…

Decca-Verstärker

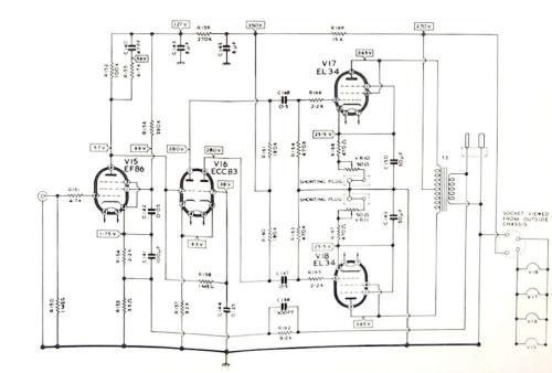
Am Anfang steht die Recherche. Allzuviel ist über diesen Decca-Verstärker aber nicht zu erfahren. Was es mit diesem Röhrenverstärker genau auf sich hatte, darüber ist sich die „Jäger und Sammler-Fraktion“ nicht so einig. Nur wenige Recherche-Klicks weiter bekommt man wenigstens einen Schaltplan des Decca – leider ohne Netzteilsektion…

decca-01c

Dass dieser Schaltplan nicht unbedingt zu dem Verstärker passte, der vor mir steht, sollte sich erst später herauskristallisieren.

Allein nur wegen „Stereo“ verorte ich die Herstellung dieses Röhrenverstärkers so gegen Mitte bis Ende der 1960’er-Jahre, weil „Stereo“ erst Mitte der 1960’er-Jahre richtig populär wurde. Bei diesem Decca-Verstärker wurden bereits die Ausgangsübertrager ersetzt (durch Leak-Pakete). Warum, weiss ich nicht. So sah der Decca nämlich ursprünglich aus:

decca-01a

Dieser Verstärker war zudem Bestandteil (Endstufe) eines „Musikschranks“ bzw. „Musikmöbels„, also eher eine prähistorische Kompaktanlage. Radio, Plattenspieler in einem, mehr oder weniger schmucken, Möbelstück verbaut.

Kurz zum Besuchsgrund: Feuerwerk in der 5U4-Gleichrichterröhre. Auftrag: „Nur“ nachschauen und technisch überprüfen. Ansonsten ist der Eigner hochzufrieden mit dem Decca. Vor allem klanglich. Und das seit deutlich über 25 Jahren (!). Das da bereits ein leiser Totengesang angestimmt wurde, ahnte er nicht. Genausowenig, wie der eigentlich miese Klang, der aber extern kaschiert wurde.

frihu

…hört gerne Musik. Über Röhrenverstärker. Musikrichtung egal. Ausser Jazz, Hip-Hop, House, Metal, Trash, Schlager, Volksmusik, Gangsta-Rap (noch schlimmer, wenn in Deutsch gebrüllt). Da krieg' ich ein Hörnchen. Autor der Bücher: Hören mit Röhren, Röhrenschaltungen und High-End Röhrenschaltungen. Artikel in hifi-tunes (Röhrenbuch 2): Bauteileauswahl für Röhrenverstärker und EL509 Single-Ended Röhrenverstärker im Selbstbau

Kommentare sind geschlossen.